P6220汽车电子泵(80W)
电压: 12V
扬程: 0-13m
噪音: ≤45dB(A)
调速方式:
IP等级: IP67
功能: 缺水保护
介质温度: -40-120℃
产品应用: | 产品特征: |
■新能源汽车电机电控冷却循环 | ■重量:0.56kg |
■绝缘等级:H级 | |
■使用寿命:12000小时 | |
| ■进出水口外直径:20mm |
使用条件: | 特点: |
■环境温度:-40 ~ 120℃ | ■采用无刷电机,寿命长 |
■介质温度:-40 ~ 100℃ | ■功耗低、高扬程 |
■介质:防冻液 | ■便于安装 |
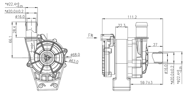
| 外观尺寸: |
|
|
曲线图: |
|
| 额定电压 | 使用电压范围 | 额定电流 | 最大扬程 | 最大流量 | 额定功率 | 最大噪音 |
| V | V | A | m | L/min | W | dB(A) |
| 12 | 8-16 | 6.7 | 13 | 38 | 80 | ≤45 |




深鹏水泵-张先生
深鹏科技 - 张先生