P8018汽车电子泵(24v)
电压: 24V
扬程: 0-22m
噪音: ≤50dB(A)
调速方式:
IP等级: IP67
功能: 缺水保护
介质温度: -40-120℃
产品应用: | 产品特征: |
■新能源汽车控制器冷却循环 | ■重量:0.83kg |
| ■防护等级:IP67 |
| ■防护等级:H级 |
| ■使用寿命:20000小时 |
| |
|
|
使用条件: | 特点: |
■环境温度:-40 ~ 125℃ | ■采用无刷电机、寿命长 |
■介质温度:-40 ~ 120℃ | ■功耗低、高扬程 |
■介质:防冻液 | ■便于安装 |
| ■使用场所:车载 |
|
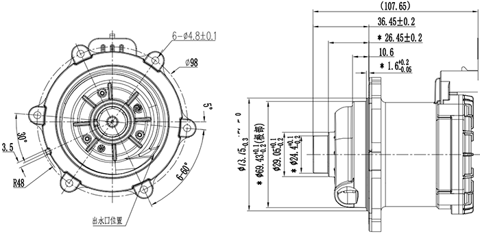
| 外观尺寸: |
|
|
曲线图: |
|
| 型号 | 额定电压 | 使用电压范围 | 额定电流 | 最大扬程 | 最大流量 | 额定功率 | 最大噪音 |
| P801824J01 | V | V | A | m | L/min | W | dB(A) |
| 24 | 18-32 | 12 | 22 | 75 | 260 | ≤50 |




深鹏水泵-张先生
深鹏科技 - 张先生